Please choose your delivery location

The selection of the country/region page can influence various factors such as price, shipping options and product availability.
My contact person
e-chains®, chainflex®, cables, harnessed systems readychain®

+30 210 4113133
dry-tech® bearing technology

+30 210 4113133
GR(EN)

Special properties cross slide

High precision, extreme stiffening and precise alignment through CNC production

Available as standard and preload version

100% lubricant-free and completely corrosion-free

Adjustments by trapezoidal thread TR 10x2

Mounting of upper unit with right or left alignment possible

Available accessories (hand wheel, cursor ...)

Cross slide

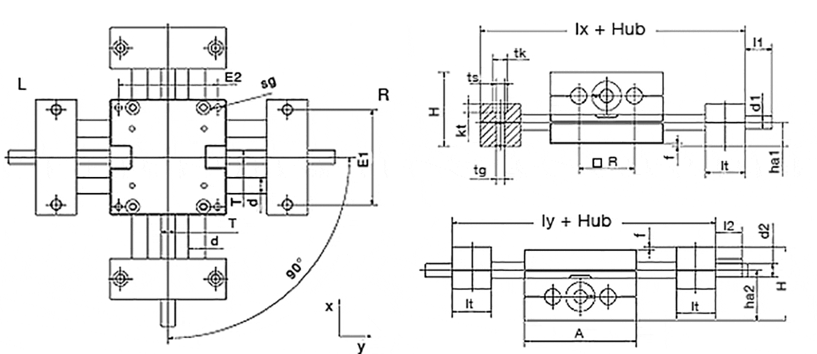
SHT-XY - XY table installation sizes

drylin SHT-XY-08-AWM XY table

SHT-XY-08-AWM

  • Max. stroke length: 150mm
  • Carriage length: 65mm
  • Shaft material: aluminium
  • Shaft diameter: 8mm
drylin SHT-XY-12-AWM XY table

SHT-XY-12-AWM

  • Max. stroke length: 350mm
  • Carriage length: 85mm
  • Shaft material: aluminium
  • Shaft diameter: 12mm

With spring pre-load - PL versions

drylin SHT-XY-12-AWM-PL XY table

SHT-XY-12-AWM-PL

  • Max. stroke length: 350mm
  • Carriage length: 85mm
  • Shaft material: aluminium
  • Shaft diameter: 12mm
  • With pre-load
drylin SHT-XY-20-EWM-PL XY table

SHT-XY-20-EWM-PL

  • Max. stroke length: 500mm
  • Carriage length: 130mm
  • Shaft material: stainless steel
  • Shaft diameter: 20mm
  • With pre-load

SHT/SHT-PL - cross slide


Cross slide lengths and weights [mm]

Order no. A
-0.3
[mm]
H
 
[mm]
E1
±0,15
[mm]
E2
±0,15
[mm]
Base-
length lx
[mm]
Base-
length ly
[mm]
R
 
[mm]
f
 
[mm]
lt
±0,1
[mm]
tk
 
[mm]
ts
 
[mm]
tg
 
kt
 
[mm]
ready for shipping in 10 working days SHT-XY-12 85 56 70 73 145 145 42 2 30 11 6.6 M8 6.4
ready for shipping in 10 working days SHT-XY-08 65 42 52 56 96 96 32 1.5 15.5 10 5.5 M6 7
ready for shipping in 10 working days SHT-XY-12-PL 85 56 70 73 145 145 42 2 30 11 6.6 M8 6.4
ready for shipping in 10 working days SHT-XY-20-EWM-PL 130 86 108 115 202 202 72 2 36 15 9 M10 8.6
More about selected part:
3D-CAD 3D-CAD
Sample request Sample request
PDF PDF
Quote request Quote request
myCatalog myCatalog

Cross slide dimensions [mm]

Order no. sg


d

[mm]
T

l1

[mm]
d1
Standard
d1
Alternativ
l2

[mm]
d2
Standard
d2
Alternativ
ha1

[mm]
ha2

[mm]
W
ha2-ha1
[mm]
ready for shipping in 10 working days SHT-XY-12 M6 12 17 TR10x2 6h9 17 6h9 18 38 20
ready for shipping in 10 working days SHT-XY-08 M5 8 TR6x2/TR6,35x2,54 15.5 TR6x2/TR6,35x2,54 5 15 5 13 29 16
ready for shipping in 10 working days SHT-XY-12-PL M6 12 17 TR10x2 6h9 17 6h9 18 38 20
ready for shipping in 10 working days SHT-XY-20-EWM-PL M8 20 26 TR18x4 - 26 12h9 23 63 40
More about selected part:
3D-CAD 3D-CAD
Sample request Sample request
PDF PDF
Quote request Quote request
myCatalog myCatalog
You can order the hand wheel of the y-axis to be mounted left or right.
Left: SHT-XY-12-AWM-L-200-300 for 200 mm stroke lengths in x-direction and 300 mm in y-direction.
Right: SHT-XY-12-AWM-R-200-300 for 200 mm stroke lenghts in x-direction und 300 mm in y-direction

Technical options for the SHT series

The following options can be delivered for the SHT-XY product range.


More information and cross slide accessories



ready for shipping in 10 working days

The terms "Apiro", "AutoChain", "CFRIP", "chainflex", "chainge", "chains for cranes", "ConProtect", "cradle-chain", "CTD", "drygear", "drylin", "dryspin", "dry-tech", "dryway", "easy chain", "e-chain", "e-chain systems", "e-ketten", "e-kettensysteme", "e-loop", "energy chain", "energy chain systems", "enjoyneering", "e-skin", "e-spool", "fixflex", "flizz", "i.Cee", "ibow", "igear", "iglidur", "igubal", "igumid", "igus", "igus improves what moves", "igus:bike", "igusGO", "igutex", "iguverse", "iguversum", "kineKIT", "kopla", "manus", "motion plastics", "motion polymers", "motionary", "plastics for longer life", "print2mold", "Rawbot", "RBTX", "RCYL", "readycable", "readychain", "ReBeL", "ReCyycle", "reguse", "robolink", "Rohbot", "savfe", "speedigus", "superwise", "take the dryway", "tribofilament", "tribotape", "triflex", "twisterchain", "when it moves, igus improves", "xirodur", "xiros" and "yes" are legally protected trademarks of the igus® SE & Co. KG/ Cologne in the Federal Republic of Germany and where applicable in some foreign countries. This is a non-exhaustive list of trademarks (e.g. pending trademark applications or registered trademarks) of igus SE & Co. KG or affiliated companies of igus in Germany, the European Union, the USA and/or other countries or jurisdictions.

igus® SE & Co. KG points out that it does not sell any products of the companies Allen Bradley, B&R, Baumüller, Beckhoff, Lahr, Control Techniques, Danaher Motion, ELAU, FAGOR, FANUC, Festo, Heidenhain, Jetter, Lenze, LinMot, LTi DRiVES, Mitsubishi, NUM,Parker, Bosch Rexroth, SEW, Siemens, Stöber and all other drive manufacturers mention on this website. The products offered by igus® are those of igus® SE & Co. KG