Change Language :

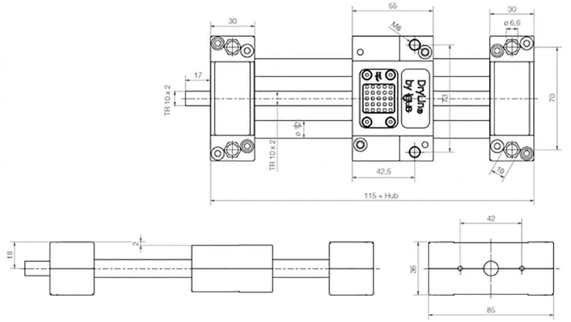
SHTP-FF in lightweight all-plastic design
The SHTP-linear module with quick-release mechanism has all the advantages of the aluminium versions, but is much lighter due to the plastic design of the slides and crossbars. A linear module with a stroke length of 100 mm weighs just 0.35 kg.

...order ready-to-connect linear modules with stroke lengths of 250 and 500 mm in the online shop.
In person:
Monday to Friday from 7 am - 17 pm.
Saturdays from 8 am- 12 pm.
Online:
24h
WhatsApp-Service:
Montag – Freitag: 8 – 16 Uhr