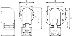
PMAFIX VOD: connection fittings 90° angle with flange
These PMAFIX screw connection types are suitable for a wide rage of applications in conjunction with PMAFLEX corrugated tubes and offer the highest grade of safety and sealing.
Features: - IP66: Fitting with pre-assembled universal security locks (AFN2), flange sealing (OR)
- IP68: Fitting with oval locks (OVN2), tube and flange sealing (NVN3, OR)